Karavel
  • Automatizacion y Control.

PROYECTOS DE AUTOMATIZACION Y CONTROL, REDES INDUSTRIALES.




KARAVEL LTDA. Empresa conformada por profesionales de vasta experiencia en obras de construcción civil ademas de proyectos de Ingeniería y Arquitectura Industrial, en este sentido nos hemos desarrollado en diversas areas de trabajo, razón por la cual son gerenciadas según sus divisiones:


Proyectos de Ingenieria Sala de Control:

Karavel

Proyectos de Ingenieria Redes Industriales:

Karavel

Proyectos de Ingenieria PLC micrologix:

Karavel

Proyectos de Ingenieria PLC Compactlogix:

Karavel

Proyectos de Ingenieria validacion arquitecturas:

Karavel

Proyectos de Ingenieria Diferentes redes TO:

Karavel

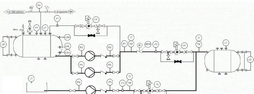
Proyectos de Ingenieria planos Intrumentacion:

Karavel

Nuestra empresa posee una vasta experiencia en las areas de proyectos llave en mano, trabajando con clientes como Ministerio de Obras Publicas en ejecucion de proyectos de diseños para Accesos a caminos públicos y a demas de distintos tipos de servicios, gestión y tramitación de éstos y de permisos sectoriales. Otros clientes como Codelco, Molyb, Xtrata Lomas Bayas, Minera Esperanza, Silica Networks, Internexa, Consorcio Radiotronica, Movistar, Entel, Ingenostrum, entre otros.


Constructora e Ingenieria KARAVEL.

Proyectos de Automatizacion y control, Redes Industriales.

Volver

Todos los derechos reservados © 2023 Karavel Ltda. - Design: Cmiranda